Copyright © 2025 Chuangming Coupling (Jiangsu) Co.,Ltd.
![]() |
Structural features: The working principle is to use a double-row chain and two parallel sprockets with the same number of teeth at the same time,convenient installation and disassembly,easy maintenance of the machine.It is mostly used for wet,dusty,high temperature and convenient maintenance occasions,and should not be used for frequent starting,frequent positive and negative rotation, and more severe impact load and spindle transmission occasions. |
Basic parameters and main dimensions of LC roller chain coupling (GB/T6069-2002)

Note:1.when there is a cover,add "F"after the model,1 case of GL5 coupling,change to GL5F when there is a cover;
2.The coupling mass and moment of inertia in the table are approximate values.
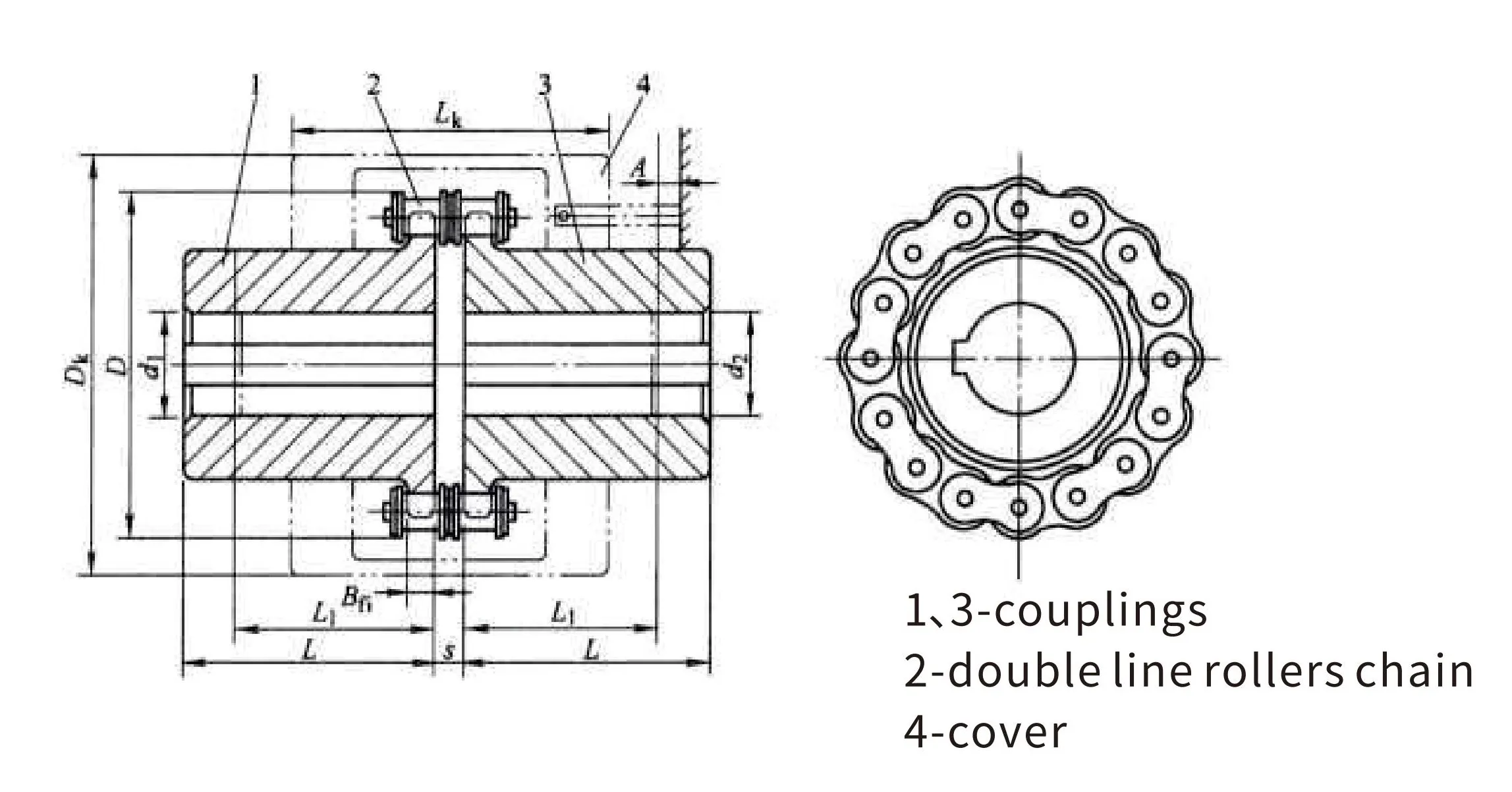
![]() |
Structural features: The working principle is to use a double-row chain and two parallel sprockets with the same number of teeth at the same time,convenient installation and disassembly,easy maintenance of the machine.It is mostly used for wet,dusty,high temperature and convenient maintenance occasions,and should not be used for frequent starting,frequent positive and negative rotation, and more severe impact load and spindle transmission occasions. |
Basic parameters and main dimensions of LC roller chain coupling (GB/T6069-2002)

Note:1.when there is a cover,add "F"after the model,1 case of GL5 coupling,change to GL5F when there is a cover;
2.The coupling mass and moment of inertia in the table are approximate values.